X-VALVE-MOD-KP-MD15-RZ-J6_img_04psd.png
Bussystem_Modbus_imgpng.png

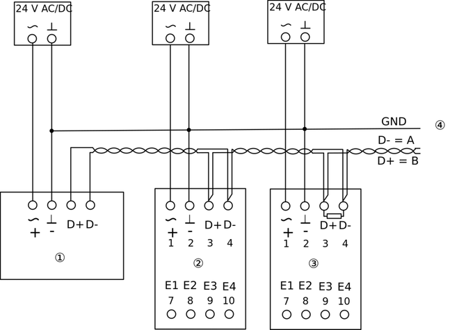
Modbus communication interface

X-AIRCONTROL_img_12psd.psd.link

X-AIRCONTROL – Modbus zone module

X-VALVE-KP-RZ_img_02psd.png

Small valve - optional accessory for the actuator 

X-VALVE-MOD-KP-MD15-RZ-J6_img_04psd.png
Bussystem_Modbus_imgpng.png
X-AIRCONTROL_img_12psd.psd.link
X-VALVE-KP-RZ_img_02psd.png

X-VALVE-MOD-KP-MD15-RZ-J6 

For the secondary treatment of air, downstream of heating and cooling coils in water-side applications, in defined zones, offices and meeting rooms


Electronic actuator used for the modulating control of room temperature and extract air temperature in various water-based applications with 2/3" directional control valves 

  • Electronic actuator with Modbus interface
  • LED for indicating the operating status
  • DIP switches for setting the communication parameters
  • Display of actual values, setpoint values and status via Modbus
  • Automatic closing point detection and valve calibration
  • Modulating control of the control signal and hence of the valve position (0 - 100%), feedback via Modbus
  • Automatic valve anti block function prevents the spindle from blocking if the valve remains idle for a prolonged period of time
  • Automatic flushing
  • Analogue inputs (can be configured) for two temperature sensors
  • Automatic leak detection based on the flow and return temperatures
  • Spindle without a spring, hence low wear, for exact positioning

General information

Application

  • For the secondary treatment of air, downstream of heating and cooling coils in water-side applications of HVAC systems, in defined zones, offices and meeting rooms
  • Electronic actuator for RZ/RWZ valves, used for the modulating control of room temperature and extract air temperature in various water-based applications
  • Small actuator for modulating control procedures in heating, ventilation and air conditioning systems



Special features

  • Communication and signalling via Modbus RTU 
  • RJ12 connection for easy plug and play
  • Ideal for the TROX X-AIRCONTROL system
  • LED for indicating operating status and faults
  • DIP switches for setting bus parameters 
  • Automatic detection of the closing point
  • Leak detection by means of flow and return temperature measurement
  • Automatic flushing
  • Valve anti block function
  • Maintenance-free


Interface

Digital communication interface (bus)

  • Modbus RTU for communication and signalling

Analogue interface

  • 2 analogue inputs (e.g. for temperature sensors)


Variants

  • Electronic actuator suitable for 2-way and 3-way valves



Parts and characteristics

  • Electronic actuator for encased valves
  • Valve calibration for DN 10 – 32
  • Electrical connection with terminals or plug-in cables
  • Factory fitted cable with RJ12 socket for the connection to X-AIRCONTROL 



Construction features

  • Valve connection with M30 × 1.5 thread
  • Electrical connection points with removable cover
  • 2 casing cover variants (with 1 or 2 cable entry points)
  • Simple connection to the X-AIRCONTROL Modbus zone module with plug and play



Materials and surfaces

  • Casing top made of plastic, PC, UL 94 V-0, RAL 9003
  • Casing bottom made of plastic, PTB, UL 94 V-0, RAL 7035
  • Valve connection with M30 × 1.5 thread



Useful additions

  • X-AIR-ZMO-MOD Modbus zone module for room control

Description

Variants

  • Electronic actuator suitable for 2-way and 3-way valves


Construction features

  • Valve connection with M30 × 1.5 thread
  • Electrical connection points with removable cover
  • 2 casing cover variants (with 1 or 2 cable entry points)
  • Simple connection to the X-AIRCONTROL Modbus zone module with plug and play


Materials and surfaces

  • Casing top made of plastic, PC, UL 94 V-0, RAL 9003
  • Casing bottom made of plastic, PTB, UL 94 V-0, RAL 7035
  • Valve connection with M30 × 1.5 thread


Interface

Digital communication interface (bus)

  • Modbus RTU for communication and signalling

Analogue interface

  • 2 analogue inputs (e.g. for temperature sensors)

Technické údaje

Function, Specification text, Order code

  • Function
  • SPECIFICATION TEXT
  • ORDER CODE
Installation example: TROX X-VALVE Modbus (RTU) used with TROX DID and zone module X-AIR-ZMOMOD​​​​​​​ X-VALVE_gc_03svg.png

① Water flow
② Water return
③ Small valve 
④ Modbus (RTU) actuator for small valve
⑤ TROX DID604 active chilled beam 
⑥ TROX Modbus (RTU) zone module X-AIR-ZMO-MOD for single room control

T1 = optional analogue temperature sensor in the water return
T= optional analogue temperature sensor in the water flow


For the secondary treatment of air, downstream of heating and cooling coils in water-side applications of HVAC systems, in defined zones, offices and meeting rooms. Electronic actuator for RBQ/QTZ valves, used for the modulating control of room temperature and extract air temperature in various water-based applications


Special features

  • Communication and signalling via Modbus RTU 
  • RJ12 connection for easy plug and play
  • Ideal for the TROX X-AIRCONTROL system
  • LED for indicating operating status and faults
  • DIP switches for setting bus parameters 
  • Automatic detection of the closing point
  • Leak detection by means of flow and return temperature measurement
  • Automatic flushing
  • Valve anti block function
  • Maintenance-free


Interface/signalling

  • Modbus RTU interface (RS 485)


Electrical connection

  • RJ12 socket as standard, alternatively screw terminals
  • Can be connected to an X-AIR-ZMO-MOD zone module simply by plug and play
  • 2 universal inputs, e.g. for temperature measurement (flow and return temperatures)


Supply voltage

  • 24 V AC/DC ±10 % with RJ12 connection
  • When used with X-AIRCONTROL, the power is supplied via the zone module


Water-side connection

  • Positive lock connection M30 × 1.5; DIN 13
  • For RZ/RWZ control valves, spindle without a spring


Factory condition

  • Electric actuator: 
  • Factory fitted RJ12 connector for simple plug and play
  • Special cover with a second cable entry point
  • Factory fitted connecting cable for sensors
  • Product description


Dimensions

Height: 75 mm
Width: 48.5 mm
Depth: 86.5 mm


X-VALVEMODKP-MD15-RZ-J6
|||
123

1 Type
X-VALVE

2 Interface
ANA (analogue)
MP (MP bus)
MOD (Modbus RTU) 

3 Type of actuator
KP-MD15-Q-J6
KP-MD15-RZ-J6

Order example: X-VALVE-MOD-KP-MD15-RZ-J6
TypeX-VALVE
InterfaceMOD
Type of actuatorKP-MD15-RZ-J6

Variants, Technical data, Product details

  • VARIANTS
  • TECHNICAL DATA
  • PRODUCT DETAILS


Order code

Part number

Type

X-VALVE-MOD-KP-MD15-RZ-J6

A00000073470

KP-MD15-RZ-J6


X-VALVE-MOD-KP-MD15-RZ-J6, electronic actuator for small valves

Supply voltage

24 V AC ±10 %, 50/60 Hz

Supply voltage (DC)

24 V DC ±10 %

Power rating (AC)

3.8 VA 

Power rating (DC)

1.9 W

Interface

RS-485 Modbus RTU slave

Control input signal

Modbus RTU (RS-485)

Inputs and outputs

2 universal inputs or outputs (P1, P2) via Modbus, can be configured individually as:
- binary input, volt-free, 500 Ω, 1 mA max.; 13 V DC
- analogue input, see table with sensor types
- output 0 – 10 V only P2

Voltage and communication connection

Factory fitted cable with RJ12 socket / terminals, approx. 30 cm

Connection of inputs/outputs

Terminals up to 0.5 mm²

Display

LED for indicating faults



scale for valve stroke on the outside

Actuator noise

< 31 dB(A)

Actuator stroke

9 mm max.

Actuator force

150 N, nominal

Acceptable water temperature

0 °C – 120 °C

Ambient temperature

0 °C to 50 °C

Humidity

No condensation

Protection level

IP 54

IEC protection class

III according to EN 60730

Installation orientation

360 °

Maintenance

Maintenance-free

Weight

Approx. 350 g


Installation and commissioning

  • Installation only in heating, ventilation and air conditioning systems indoors
  • Supplied ready for installation (with the spindle retracted)
  • Do not switch on the power supply until the actuator has been installed on the valve
  • Tighten the union nut only finger-tight
  • Setting Modbus addresses with DIP switches 1 - 6
  • LED for indicating the operating status
  • Maintenance-free actuator


Disassembly; unscrew the actuator

  • Let valve and actuator cool down
  • Set DIP switches 1 – 6 to OFF
  • LED blinking rapidly, green
  • Interrupt the supply voltage
  • Disconnect all electrical connections
  • Loosen the union nut
  • Remove the actuator from the valve


Setting Modbus addresses 1 - 63 with the DIP switches

Address

DIP 6 (bit 5)

DIP 5 (bit 4)

DIP 4 (bit 3)

DIP 3 (bit 2)

DIP 2 (bit 1)

DIP 1 (bit 0)

1
















1

2













1




3













1

1

4










1







Other

63

1

1

1

1

1

1


Note: After the addressing has been adjusted, an initialisation run is always carried out.



Communication interface Modbus RTU

Register

Who

Description

R/W




Setpoint value

0 – 10000 (0.0 – 100.0 %)

RW

1

Override control

0 = none
1 = open
2 = close
3 = minimum position
5 = maximum position

2

Command

0 = normal
1 = initialisation
2 = test
3 = sync
4 = ErrReset
5 = BaudrateChange

R/W

3

Actuator type

201

R

5

Absolute position (mm)

in mm (* 10)

R

8

Flow temperature

in °C (* 10), actual flow temperature

R

107

Return temperature

in °C (* 10), actual return temperature

R

141

Temperature difference P1/P1

in K (*10), temperature difference between flow and return

R

125

Correction value P1

V (* 100); °C (* 10)

R/W

128

Correction value P2

V (* 100); °C (* 10)

R/W

145

Configuration of sources for differential temperature calculation

0 = flow and return temperatures: bus register value
1 = flow: P1; return: P2
2 = flow: P2; return: P1
3 = flow: P1; return: bus
4 = flow: P2; return: bus
5 = flow: bus; return: P1
6 = flow: bus; return: P2

R/W

105

Minimum stroke

0 – 10000 (0 – 100) (minimum stroke)
(0 = default)

R/W

106

Maximum stroke

0 – 10000 (0 – 100) (maximum stroke)
(10000 = default)

R/W

140

Hardware

0x00XX = MD15MOD-Q
0x01XX = MD50MOD
0x02XX = MD15MOD-RZ

R

100

Serial number 1

0 – 65535

R

101

Serial number 2

0 – 65535

R

102

Serial number 3

0 – 65535

R

103



Firmware version


0 – 65535

R

104

Operating state

0x0000: Normal, fault-free operation
0x0001 = fault, internal memory
0x0002 = fault, internal A/D conversion
0x0004 = valve calibration error
0x0008 = fault, internal motor
0x0010 = P1 limit exceeded
0x0020 = P2 limit exceeded
0x0100 = communication, test run/calibration in process

R

147

RS-485 baud rate

0 = default (38,400, 8, N, 2)
1 = 9600
2 = 19200
3 = 38400
4 = 57600
5 = 115200

R/W

148

RS-485 stop bits

1; 2

R/W

149

RS-485 parity

0 = none
1 = even
2 = odd

R/W

407

Leakage warning



0 = none; 1 = leak detected, (> 8 K temperature difference between flow and return over 6 hours)


R

135

Flushing timer 

Value in minutes (0; 60 – 32767 minutes)



0 = inactive (default)
60 = smallest interval
32767 = largest interval

R/W

319

Flushing timer – time remaining until next flushing procedure

Value in minutes (0 – 32767 minutes)

R

136

VBS time (valve anti block function)

Value in hours (0; 24 – 4320)
0 = inactive
24 = smallest interval
4320 = largest interval

R/W 

320

VBS time until next flushing procedure

Value in hours (1 – 4320)

R

123

Sensor type P1

0 = off
1 = binary input
2 = 0 – 10 V
3 = KP10
4 = Ni1000
5 = Ni1000LG
6 = PT1000 (default) 

R/W

425

Sensor type P2

0 = off
1 = binary
2 = 0 – 10 V
3 = KP10
4 = NI1000
5 = NI1000LG
6 = PT1000 (default)
8 = Y output 0 – 10 V (register 426 = 0 – 1000)
9 = Y feedback 0 – 10 V 

R/W

426

Y at output P2

Voltage value (0 – 1000) for a 0 – 10 V output signal at terminal P2
(if register 425 = 8; P2 = output 0 – 10 V 

R


R = Read-only access to register

R/W = Read/write access to register

Note:
Supported Modbus functions 0x03 Read Holding Register
0x06 Write Holding Register
0x03 Read Holding Multiple
0x10 Write Holding Multiple


Automatic detection of the closing point
The valve closing point is detected during the initialisation run. During operation, a cyclical reinitialisation takes place.

Positioning
The actuator is a modulating actuator. The control signal (0 – 100%) is transmitted via Modbus communication. The current position (0 – 100 %/mm) can be queried via Modbus.

Valve anti block function
The actuator has a valve anti block function that can be switched on. The cycle time can be set or changed as part of Modbus parameter setting. If the value is 0, this function is deactivated. The automatic valve anti block function prevents the spindle from blocking if the valve remains idle for a prolonged period of time

Temperature measurement
The flow and return temperatures can be captured with two temperature sensors and queried via Modbus.

Flushing
The actuator has a function for automatic flushing. The valve opens fully for the flushing procedure. The cycle time can be set or changed as part of Modbus parameter setting. If the value is 0, this function is deactivated.

Leak detection
Automatic leak detection based on the flow and return temperatures and with the valve being closed. A temperature difference greater than 8 K for at least 6 hours with the valve closed indicates a leak.

Indication of operating status and faults
Operating status and fault signals are captured by the actuator and can be queried via Modbus. This data helps to assess the condition of the hydraulic system and detect faults at an early stage.


Stažení

informace o produktu

návody k obsluze

production {"x-frame-options"=>"SAMEORIGIN", "x-xss-protection"=>"0", "x-content-type-options"=>"nosniff", "x-permitted-cross-domain-policies"=>"none", "referrer-policy"=>"strict-origin-when-cross-origin", "strict-transport-security"=>"max-age=31536000; includeSubDomains", "content-type"=>"text/html; charset=utf-8", "link"=>"</assets/application-efbc495b06ca980ef13dc743756002fce2f413f798fecb64c7f0c81954c16402.css>; rel=preload; as=style; nopush,</assets/print-fec2e47d6d8dcc5d4c101139f17046ba981ca1c12f71e7e403fba50cc7584175.css>; rel=preload; as=style; nopush,</assets/other_js/modernizr.custom.93544-c26374a79d804901074bb4aa6fd3fa44ea22e840389915d2adce16b024021ef3.js>; rel=preload; as=script; nopush,</assets/other_js/js.cookie.min-de103d86d1919b40950f791699b4ce768137fde41af09b35ff92bde369732183.js>; rel=preload; as=script; nopush,</assets/other_js/jquery-3.5.1-2c4ce18a1a3f144c333912efc24a76c9a165a0dba9f88a499985df1af0a196a2.js>; rel=preload; as=script; nopush"}

Sdílet stránku

Doporučit tuto stránku

Doporučit tuto stránku zasláním odkazu emailem.

Pole označená (*) jsou povinná.

Sdílet stránku

Děkujeme za doporučení!

Vaše doporučení bylo odesláno a zakrátko by mělo být doručeno.


Kontakt

Jsme tu pro vás

Uveďte prosím své sdělení a druh dotazu
Tel.: +420 283 880 380 | Fax: +420 286 881 870

Attachment (max. 10MB)

Pole označená (*) jsou povinná.

Kontakt

Děkujeme vám za zprávu!

Vaše zpráva je odeslána a zakrátko bude zpracována.
Naše oddělení pro servisní dotazy se s vámi co nejrychleji spojí Pro obecné informace o výrobcích nebo o službách můžete také zavolat:
Tel.: +420 283 880 380 | Fax: +420 286 881 870

Kontakt

Jsme tu pro vás

Uveďte prosím své sdělení a druh dotazu
Tel.: +420 283 880 380 | Fax: +420 286 881 870

Attachment (max. 10MB)

Pole označená (*) jsou povinná.

Kontakt

Děkujeme vám za zprávu!

Vaše zpráva je odeslána a zakrátko bude zpracována.
Naše oddělení pro servisní dotazy se s vámi co nejrychleji spojí Pro obecné informace o výrobcích nebo o službách můžete také zavolat:
Tel.: +420 283 880 380 | Fax: +420 286 881 870