Functional description
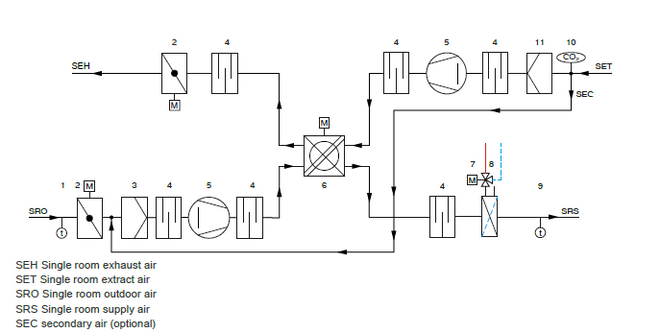
Decentralised supply and extract air units ventilate the room and cover the heating load according to the technical data. An EC centrifugal fan takes in the outdoor air which then flows through the motorised shut-off damper and the outdoor air filter. The outdoor air then flows through the rotary heat recovery unit, which can be switched off in energy efficient operating situations. Before the supply air, with momentum, flows into the room without drafts from the supply air grille near the ceiling (Coanda effect), it is heated (or optionally cooled) in the heat exchanger if necessary. The extract air first flows through the extract air filter, before it is discharged to the outside as exhaust air, by passing the heat recovery unit, the extract air fan and the motorised shut-off damper. If the indoor air quality is sufficient, FSL-CONTROL III closes the outdoor air dampers and changes to secondary air operation, which is more energy efficient. The control system compares the room air quality setpoints to the actual values measured by the CO2sensor and switches automatically between outdoor air and secondary air operation. In case of a power failure, the outdoor air and exhaust air dampers are closed to ensure fire protection, frost protection and to avoid draughts. This is ensured by a capacitor in each actuator.
The supply air flows into the room at medium speed just below the ceiling. The Coanda effect deflects the airflow upwards and causes it to stick to the underside of the ceiling. This enables very large throw distances, which means that even large rooms can be ventilated effectively. When the supply air reaches the wall opposite the air outlet, a room air vortex is created. The airflow reaching the occupied zone has a very low velocity and rises on heat sources, for example on people and devices. It forms a buoyancy flow through natural convection. As a result, the air is exchanged primarily in these areas. Directly under the ceiling, the rising stale air is drawn into the device and discharged to the outside
| Width | 2228 mm, 2420 mm, 2770 mm, 2765 mm | 
| Height | 401 mm, 433 mm | 
| Depth | 854 mm, 923 mm | 
| Volume flow | 200, 300, 400 m³/h (boost 600 m³/h) | 
| Nominal volume flow | 400 m³/h | 
| Sound pressure level at nominal volume flow and 8 dB | 35 dB(A) | 
| Sound power level | 33 – 51 dB(A) | 
| Heat recovery efficiency | 75% | 
| maximum operating pressure, water side | 6 bar | 
| maximum operating temperature | 75 °C | 
| Supply voltage | 230 V AC ±10 %, 50/60 Hz | 
| Power rating | 640 VA | 
| Weight | 225 kg | 
Specification text
X-CUBE/SCHOOLAIR-D-HV-0-2-1-BB-W/2228 × 401 × 854
Decentralised ventilation unit for mounting on the ceiling
Please note:
The ceiling ventilation unit described is equipped with a singleroom control located in the unit. The supplied controllers contain the parameters for standard operation according to our control description.
Ventilation unit for schools – ceiling installation – master unit Ventilation unit for ceiling installation TROX X-CUBE/ SCHOOLAIR-D-HV-0-2 with supply and extract air function, rotary heat recovery unit and switchover option to secondary air operation (air quality dependent), as well as heat exchanger for installation in the ceiling:
Devices - dimensions and weight:
FSL-CONTROL III controller
Optional expansions for FSL-CONTROL III:
Note:
The optional expansions are included in the delivery programme, but must be exchanged for the standard components in the following description.
TROX control module FSL-CONTROL III (order code ...-C3- MA ...):
Real time clock (RTC)
Real Time Clock (RTC/real time clock) (order code ...-T/...):
CO2 sensor
CO2 sensor (order code…/C/…):
Supply air temperature sensor
Supply air temperature sensor (order code .../Z/...):
Outdoor air temperature sensor
Outdoor air temperature sensor (order code .../A/...):Water side components
Water-side components (Order code…/HV-R-…):
Optional control accessories
Optional equipment to increase the comfort of the FSLCONTROL III:
TROX control panels for FSL-CONTROL III At least one room temperature signal is required per room. There are several variants of TROX room control panels available, optionally with or without selector switch. Additionally, we offer a room temperature sensor RTF without control elements. Alternative on-site control panels must be connected via bus communication.
Digital room control panels for surface mounting
For operation and adjustment of the ventilation units. Digital room control panels for surface mounting: For operating and adjustment the ventilation units, type Schneider TM172DCLWT:
Control panels with selector switch for surface mounting
Control panel with selector switch, type Thermokon, for surface mounting:
Control panels without selector switch for surface mounting
Control panel without selector switch, type Thermokon, for surface mounting:
Room temperature sensor for surface mounting
Room temperature sensor TROX RTF, for surface mounting:
Control panels without selector switch for flush mounting
Control panel without selector switch, type Thermokon, for flush mounting, switch programme Berker S.1, polar white:
Control panel without selector switch, type Thermokon, for flush mounting, switch programme Berker Q.3, white:
Control panel without selector switch, type Thermokon, for flush mounting, switch programme Busch-Jäger future linear, white
Other switch programmes on request.
Control panels without selector switch and without setpoint value adjuster for flush mounting
Control panel without selector switch and without setpoint value adjuster, type Thermokon, for flush mounting, switch programme Gira E2:
Other switch programmes on request.
Electromotive valve actuator
As an alternative to the thermoelectric actuator (standard):
Pressure-independent control valve
As an alternative to the small straight-way valve (standard):
Interface for integration into an on-site MCE/BACS:
Modbus TCP interface including web server (order code .../ MT/...)
For more convenience, we recommend integration into an onsite MCE/BACS or visualisation with X-TAIRMINAL. FSLCONTROL III can be integrated into an on-site MCE/BACS via the Modbus TCP protocol. Additionally including web server for simplified configuration, commissioning and remote monitoring of the device. The MCE/BACS is not included in the supply package from TROX, only the interfaces listed above are available here.
BACnet IP interface including web server (order code .../BI/...):
For more convenience, we recommend integration into an onsite MCE/BACS. FSL-CONTROL III can be integrated into an onsite MCE/BACS via the BACnet IP protocol. Additionally including web server for simplified configuration, commissioning and remote monitoring of the device. The MCE/BACS is not included in the supply package from TROX, only the interfaces listed above are available here.
Modbus RTU (order code .../MR/...)
For more convenience, we recommend integration into an onsite MCE/BACS. FSL-CONTROL III can be integrated into an onsite MCE/BACS via Modbus RTU. The MCE/BACS is not included in the supply package from TROX, only the interfaces listed above are available here.
BACnet MS/TP (order code .../BM/...)
For more convenience, we recommend integration into an onsite MCE/BACS. FSL-CONTROL III can be integrated into an onsite MCE/BACS via BACnet MS/TP. The MCE/BACS is not included in the supply package from TROX, only the interfaces listed above are available here.
Version as a slave device
Identical to the master device, as described above, but with the following deviations:
Commissioning of the decentralised ventilation units
Commissioning/parameterisation of the decentralised ventilation units without connection to the MCE/BACS
Commissioning/parameterisation of the decentralised ventilation units with connection to the MCE/BACS
Instruction in operation and maintenance
Replacement filter set suitable for the appliance version
| SA-D | – | HV | – | T | – | 4 | – | 1 | – | BB | – | Q | / | 2770 × 401 × 854 | / | 0 | / | C3 | – | MA | – | T | / | MR | / | C | / | Z | / | A | / | HV | – | R | – | 0.4 | / | KV | – | R | – | 0.63 | 
| | | | | | | | | | | | | | | | | | | | | | | | | | | | | | | | | | | | | | | | | | | | | |||||||||||||||||||||
| 1 | 2 | 3 | 4 | 5 | 6 | 7 | 8 | 9 | 10 | 11 | 12 | 13 | 14 | 15 | 16 | 17 | 18 | 19 | 20 | 21 | 22 | 
1 Type
SA-D Ventilation unit for ceiling installation X-CUBE/ SCHOOLAIR-D
2 Variant
HV high volume flow and rotary heat recovery unit
3 Installation situation
0 Installation integrated in suspended ceiling
F freely suspended installation
T partially integrated in suspended ceiling
Z Installation in a pre-installed frame1
I Installation situation to be decided2
4 Heat exchanger
2 2-pipe
4 4-pipe
5 Heat exchanger construction
Specify construction (technical design with TROX EPF or TROX CONFIGURATOR)
6 Construction
BB Outdoor air connection to the rear, exhaust air connection to the rear
LB Outdoor air connection to the left, exhaust air connection to the rear (not with installation situation F or connection W)
BR Outdoor air connection to the rear, exhaust air connection to the right (not with installation situation F or connection W)
LR Outdoor air connection to the left, exhaust air connection to the right (not with installation situation F or connection W)
7 Connection
0 without connection (only with installation situation I)
W Wall connection sealing kit for outdoor air and exhaust air (not with installation situation I)
B Flanged collar for outdoor air and exhaust air (not with installation situation I)
Q Duct connection for outdoor air and exhaust air (not with installation situation I)
8 Nominal size [mm]
Width × height × depth
2228 × 401 × 854 (only with installation situation 0)
2420 × 401 × 854 (only with installation situation F)
2770 × 401 × 854 (only with installation situation T)
2765 × 433 × 923 (only with installation situation Z)
2220 × 401 × 854 (only with installation situation I)
9 Exposed surface
0 powder-coated, RAL 9010 (pure white), GU 30
P1 powder-coated, RAL 7012 (basalt grey), GU 30, or specify alternative RAL CLASSIC colour, GU 30
10 Control system
OR without control system
C3 with FSL-CONTROL III
11 Control function
MA Master
SL Slave
12 Real-time clock
Only with control function MA
No entry: without real time clock
T with real time clock
13 Interface
No entry: without interface
MT with Modbus TCP
MR with Modbus RTU (only with control function MA)
BI with BACnet IP
BM with BACnet MS/TP (only with control function MA)
14 Air quality sensor
Only with control function MA
No entry: without air quality sensor
C with CO2sensor
V with VOC sensor
15 Supply air temperature sensor
Z with supply air temperature sensor
16 Outdoor air temperature sensor
Only with control function MA
No entry: without outdoor air temperature sensor
A with outdoor air temperature sensor
17 Heating valve
HV with thermoelectric actuator
HVE with electromotive actuator
18 Lockshield – heating circuit
R with lockshield
19 Kvs value heating valve
0.25 (straight-way valve)
0.40 (straight-way valve)
0.63 (straight-way valve)
1.00 (straight-way valve)
F0.50 (pressure-independent control valve)
20 Cooling valve
Only with heat exchanger 4
KV with thermoelectric actuator
KVE with electromotive actuator
21 Lockshield cooling circuit
Only with heat exchanger 4
R with lockshield
22 Kvs value cooling valve
Only with heat exchanger 4
0.25 (straight-way valve)
0.40 (straight-way valve)
0.63 (straight-way valve)
1.00 (straight-way valve)
F0.50 (pressure-independent control valve)
1 Accessory frame to be ordered separately
2 Basic unit is supplied without accessories. Required accessories to be ordered separately.
Order example: SA-D-HV-T-4-1-LB-B/2770×401×854/0/C3-MA-T/MR/C/Z/A/HV-R-0.40/KV-R-0.40
| Type | SA-D | Ventilation unit for ceiling installation X-CUBE/SCHOOLAIR-D | 
| Variant | HV | high volume flow and rotary heat recovery unit | 
| Installation situation | T | partially integrated in suspended ceiling | 
| Heat exchanger | 4 | 4-pipe | 
| Heat exchanger construction | 1 | Heat exchanger type 1 | 
| Construction | LB | (Outdoor air) connection to the left, (exhaust air) connection to the rear | 
| Connection | B | Flanged collar for outdoor air and exhaust air | 
| Nominal size [mm] | 2770×401×854 | Width 2770, height 401, depth 854 | 
| Exposed surface | 0 | Powder-coated, RAL 9010 (pure white) | 
| Control system | C3 | with FSL-CONTROL III | 
| Control function | MA | Master | 
| Real time clock | T | with real time clock | 
| Interface | MR | with Modbus RTU | 
| Air quality sensor | C | with CO2sensor | 
| Supply air temperature sensor | Z | with supply air temperature sensor | 
| Outdoor air temperature sensor | A | with outdoor air temperature sensor | 
| Heating valve | HV | with thermoelectric actuator | 
| Lockshield – heating circuit | R | with lockshield | 
| Kvs value heating valve | 0.40 | 0.40 (straight-way valve) | 
| Cooling valve | KV | with thermoelectric actuator | 
| Lockshield – cooling circuit | R | with lockshield | 
| Kvs value cooling valve | 0.40 | 0.40 (straight-way valve) | 
Sdílet stránku
Doporučit tuto stránku
Doporučit tuto stránku zasláním odkazu emailem.
Sdílet stránku
Děkujeme za doporučení!
Vaše doporučení bylo odesláno a zakrátko by mělo být doručeno.
Kontakt
Jsme tu pro vás
 
Uveďte prosím své sdělení a druh dotazu
Tel.: +420 283 880 380 | Fax: +420 286 881 870
Kontakt
Děkujeme vám za zprávu!
 
Vaše zpráva je odeslána a zakrátko bude zpracována.
Naše oddělení pro servisní dotazy se s vámi co nejrychleji spojí Pro obecné informace o výrobcích nebo o službách můžete také zavolat:
Tel.: +420 283 880 380 | Fax: +420 286 881 870
Kontakt
Jsme tu pro vás
 
Uveďte prosím své sdělení a druh dotazu
Tel.: +420 283 880 380 | Fax: +420 286 881 870
Kontakt
Děkujeme vám za zprávu!
 
Vaše zpráva je odeslána a zakrátko bude zpracována.
Naše oddělení pro servisní dotazy se s vámi co nejrychleji spojí Pro obecné informace o výrobcích nebo o službách můžete také zavolat:
Tel.: +420 283 880 380 | Fax: +420 286 881 870